M35高速钢钻头失效分析
M35高速钢相当于我国W6Mo5Cr4V2Co5钢号,是高性能高速钢的典型代表,由于该钢具有较高的高温硬度和较好的韧性,同时钒含量较低,具有很好的可磨削性,因此是制造各种形状复杂的超硬高速钢刀具的理想材料。高速钢刀具在生产、使用过程中出现的失效有正常失效和非正常失效(早期失效)之分。正常失效是指刀具经过一段时间的切削加工后发生的磨损变钝,通过重新修磨可继续使用,直至刀具报废。而非正常失效是指由于刀具存在材料或组织缺陷、产品设计或产品加工不当、热加工问题(如热处理)缺陷等,刀具在生产加工或在使用过程中提前失效。
化学成分:
根据厂方提供的检测数据,化学成分符合GB/T9943—2008《高速工具钢》要求,测量硬度为66.5~67.5HRC,为正常值。钻头热处理工艺为1230℃(淬火)+550℃×2h,3次回火处理。
在失效钻头上切取直径20×10的试样,用6%硝酸酒精溶液腐蚀,用TH300洛氏硬度计测量硬度,并用LEICA MEF4M光学显微镜、日立S-4300扫描电子显微镜进行显微组织观察。
断口形貌:
从断口的宏观形貌,可以看出,断口表面光滑平整,呈黑灰色,具有明显脆性断裂形式。同时,在断口边缘还产生了二次脆断,表明材料极脆。

从断口微观形貌,可以看出,该断口表面形貌呈河流花样,为明显的脆性解理断裂。高倍下观察发现,断口呈现小的解理平面,且解理面上布满了碳化物。进一步放大,可看到碳化物发生了聚集,部分碳化物粗大且具有菱角状,该类碳化物与基体组织的粘合度明显降低,断口上未发现有大量的夹杂物,初步判断碳化物粗大且偏聚是该麻花钻脆断的原因之一。



组织检验:
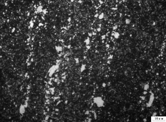
对试验M35钢钻头纵向1/4处及横向组织进行观察,可以看出,共晶碳化物分布状态较好,根据GB/T 14979—1994《钢的共晶碳化物不均匀度评定法》,评定为2级左右。但是碳化物却发生了明显的粘连,大的共晶碳化物呈不规则的尖角状,该碳化物对材料的韧性非常不利。


横向组织为回火马氏体+残留奥氏体+共晶碳化物+二次碳化物,碳化物也发生了明显的聚集,在碳化物聚集处,基体元素发生了较为明显的偏析,呈现亮白色。进一步放大,可看到明显的奥氏体晶界,为典型的过热组织。从图可看出碳化物聚集后的剥落坑。根据以上现象可判断,碳化物聚集是由于热处理不当造成组织过热而形成的。


晶粒度及夹杂:
对试验钢晶粒度和夹杂物分别进行评级,晶粒度为8.5级;夹杂物分别为B类-细系-0.5级及D类-细系-1.0级,未出现较为严重的非金属夹杂物。
晶粒度评级为8.5级,M35高速钢最佳淬火工艺为1215~1225℃,在该温度区间晶粒度为10.5~10级。进一步表明该钢发生了过热现象。组织中未出现较为明显的非金属夹杂物。有少量的B类及D类夹杂物,该类夹杂物不会对此麻花钻的韧性造成明显的影响。因此,制定新的工艺为1220℃(淬火)+550℃×1.5h,4次回火,改进后晶粒度达到了10级。
工艺改进后基体没有出现明显的块状的亮白色偏析区域,未看到明显的奥氏体晶界。未出现明显粗大的块状碳化物。碳化物粗大并发生偏聚的原因是,高速钢在高温加热时,合金元素在奥氏体中的溶解度有限,共晶碳化物的溶解温度较高,碳化物的溶解量很少,故加热过程中主要发生偏聚和粗化,以降低碳化物的界面能。




M35钻头失效原因分析:
高速钢刀具热处理不当导致失效主要原因有:过烧、过热、串电、加热不均、回火不充分、脱碳、淬火温度低、重复淬火、加热温度快、退火不良等。而热处理过热包括奥氏体化过程的温度过热,及保温时间等的控制。
在奥氏体化温度下,由于长时间保温所导致碳化物出现偏聚和粗化的原因和由于加热温度过高所导致的碳化物粗化、偏聚的原因基本相同。因为共晶碳化物的偏聚和粗化必须通过合金元素的扩散来完成,在加热温度、碳化物尺寸和片层间距及碳化物的不均匀程度相同的条件下,保温时间愈长,合金元素的扩散程度愈高,碳化物的粗化和偏聚也将愈明显。
试验M35高速钢麻花钻头失效的原因主要是碳化物的粗大与偏聚,而根本原因是热处理过程中产生了过热,晶粒过热和碳化物过热同时存在。通过减少退火装炉量,缩短保温时间。改进热处理工艺后,晶粒度由8.5级提高到10级,碳化物粗大与偏聚现象得到改善。
同类文章排行
- SIJ麦特罗镭SIMOLD S150R之车灯应用
- SUS630不锈钢厂家|630马氏体沉淀硬化不锈钢供应商
- POLMAX超纯净镜面不锈钢材
- 铬(Cr)在模具钢中的作用
- 镁合金压铸工艺研究
- 压铸生产中模具需注意的五要点
- 模具预热对压铸模具寿命的影响
- S136是什么材料?S136模具钢等级有哪些?国产进口S136模具钢区别
- 想提高铝挤压模具的寿命?如何控制H13的质量
- 压铸工艺中的温度控制和影响
最新资讯文章
- 金华洲S136H助力口罩熔喷布模具喷丝板生产
- 抚顺特钢正在加急生产“KN95口罩钢”SKD11、D2和DC53
- SIJ麦特罗镭SIMOLD S150R之车灯应用
- 模具铜公(电极)的加工方法和注意事项!
- SUS630不锈钢厂家|630马氏体沉淀硬化不锈钢供应商
- SIJ
- 蔚来汽车使用的铝、镁合金压铸模具使用的是什么压铸模具钢材料?
- 德国1.2344 ESR压铸模具钢成功案例
- Tyrax ESR的耐腐蚀和耐磨特性及Tyrax的应用
- POLMAX超纯净镜面不锈钢材
您的浏览历史












